Nhiều người dù đã sử dụng điều hòa trong thời gian dài nhưng các thông tin chi tiết về sơ đồ mạch điện của máy vẫn chưa nắm vững. Để có thể tìm hiểu và có cách sử dụng đúng nhất, hãy cùng bTaskee tham khảo về sơ đồ đấu điện điều hòa 1 chiều nhé!
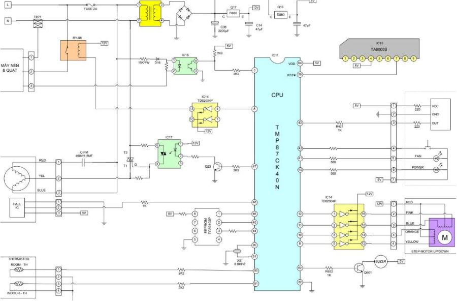
Sơ đồ mạch đấu điện điều hòa inverter 1 chiều
Công nghệ nén biến tần được sử dụng trong điều hòa Inverter sẽ giúp điều chỉnh tốc độ quay của nén sao cho phù hợp tùy theo công suất làm lạnh. Do đó, khác với các dòng máy lạnh thông thường (điều hòa mono), khi sử dụng Inverter, bạn không cần phải bật tắt liên tục, giúp tiết kiệm điện năng tối ưu.
Lên sơ đồ mạch điện điều hòa inverter 1 chiều
Xác định phạm vi và yêu cầu của mạch: Gồm công suất, điện áp, tần số,…
Thiết kế mạch nguồn: Xác định nguồn điện cho mạch, gồm biến áp, bộ chỉnh lưu,…
Thiết kế mạch khởi động: Mạch khởi động giúp điều khiển bật tắt của mạch inverter, bao gồm các linh kiện như transistor, relay, vi điều khiển,…
Thiết kế mạch biến đổi tần số: Mạch inverter chính có nhiệm vụ biến đổi điện áp DC thành điện áp AC và điều chỉnh tần số nên cần xác định các loại biến áp, transistors,…
Thiết kế mạch bảo vệ: Sử dụng các thành phần bảo vệ như relay nhiệt, bảo vệ quá dòng,…
Vẽ sơ đồ: Sử dụng các ký hiệu và biểu đồ chuẩn để vẽ sơ đồ mạch điện.

Các vật dụng cần chuẩn bị
Bạn cần chuẩn bị một số dụng cụ sau để thực hiện công việc đấu dây điều hòa Inverter 1 chiều:

- Ống để dẫn nước
- Ống đồng máy lạnh
- CB điện
- Miếng quấn để cách nhiệt
- Dây điện
- Thanh chữ L
Các bước thực hiện
Bước 1: Mở hộp điện trên dàn nóng: Trong hộp lạnh của điều hòa Inverter 1 chiều có 5 loại dây cơ bản, bao gồm: 1, 2, 3, L, N. Trong đó, L là pha nóng và N là pha lạnh, 1, 2, 3 sẽ là các dây cấp tốc để kết nối 2 dàn lạnh với nhau. Dây 1 và 2 sẽ lấy nguồn từ dàn lạnh, dây 3 sẽ lấy tín hiệu. Bạn cần kết nối dây L và dây 2 bằng 1 sợi dây thông mạch, làm tương tự với dây 1 và dây L.
Bước 2: Thực hiện nối dây: Trước khi đấu nối, bạn cần đánh dấu đầu nối dây điện. Tương tự như dàn lạnh, trong dàn nóng cũng có hộp điện được đánh dấu. Dựa theo ký hiệu, bạn cần đấu nối các đầu dây một cách chuẩn xác để hoàn tất sơ đồ đấu dây điều hòa không khí.

Vệ sinh máy lạnh không những giúp không khí trong gia đình trong lành hơn. Mà việc làm sạch máy lạnh còn giúp máy hoạt động ổn định và hiệu quả. Đặt ngay dịch vụ vệ sinh máy lạnh để bTaskee thay bạn đảm bảo máy lạnh luôn sạch sẽ và bền lâu.
Tải app bTaskee ngay để trải nghiệm nhiều dịch vụ!
Sơ đồ mạch đấu điện điều hòa thường 1 chiều
Lên sơ đồ mạch điện điều hòa thường 1 chiều
Một sơ đồ mạch điện điều hòa thường 1 chiều sẽ gồm các thành phần chính như:

- Máy nén: Chịu trách nhiệm nén và tuần hoàn hơi lạnh.
- Dàn nhiệt lạnh: Chứa một số ống dẫn nhiệt và các tấm làm lạnh.
- Quạt: Tuần hoàn không khí trong máy.
- Bộ lọc: Có chức năng lọc các hạt bụi và cặn bẩn trong dàn làm lạnh.
- Motor: Cung cấp năng lượng để chạy máy nén.
Sau khi đã hoàn thành xong các thành phần chính, bạn cần kết nối chúng lại theo một thứ tự logic để tạo thành một mạch hoàn chỉnh.
Các vật dụng cần chuẩn bị
- Linh kiện điện: Máy điều hòa, ổ cắm, công tắc, dây điện, bóng đèn, bảng mạch, nút nhấn,…
- Dụng cụ cơ bản: Dao cắt, tuýp xoay, sừng ốc, tô vít, cờ lê, mỏ lết,…
- Bảo vệ: Cần chuẩn bị các vật dụng bảo hộ như găng tay cách điện, áo, kính bảo hộ, giày chống tĩnh điện,…

Các bước thực hiện
Bước 1: Tắt nguồn điện.
Bước 2: Lắp đặt và kết nối các thành phần theo sơ đồ mạch đã vẽ. Sau đó, bạn tiến hành kiểm tra lại các kết nối và đảm bảo mạch hoạt động chính xác và ổn định.
Bước 3: Sử dụng các dụng cụ đo lường để kiểm tra, đảm bảo các thông số của mạch đạt yêu cầu.

>> Tham khảo thêm: Nguyên Lý Hoạt Động Của Máy Lạnh Và Cấu Tạo
So sánh cấu tạo của điều hòa inverter và điều hòa thường (mono hay non-inverter)
| Tiêu chí so sánh | Điều hòa Inverter | Điều hòa thường |
| Cách thức hoạt động | – Sử dụng công nghệ biến tần. Độ nén điều hòa sẽ hoạt động chậm lại, không tắt hẳn khi nhiệt độ phòng đạt đúng mức cài đặt. – Khả năng làm lạnh không nhanh bằng máy lạnh thường vì máy nén khởi động chậm hơn. | – Nguyên tắc hoạt động của máy nén là tắt – mở. – Máy sẽ tự tắt khi nhiệt độ trong phòng đạt đến mức cài đặt vì sử dụng rơ – le nhiệt. – Máy nén sẽ hoạt động trở lại khi nhiệt độ phòng nóng lên. |
| Khả năng ổn định nhiệt độ | – Nhiệt độ phòng luôn ở mức độ ổn định vì sử dụng cảm biến điện từ. – Luồng khí lạnh thổi ra nhẹ nhàng, dễ chịu, máy nén hoạt động chậm rãi. – Từ 0,1 – 1 độ C là mức chênh lệch nhiệt độ giữa mức cài đặt và nhiệt độ phòng. | – Luồng khí lạnh thổi ra mạnh đột ngột vì máy nén chạy hết công suất. – Gây ra cho người dùng các bệnh về đường hô hấp. – Giữa mức cài đặt và nhiệt độ phòng trên thực tế sẽ chênh lệch từ 2 – 3 độ C. |
| Linh kiện và sự tiện dụng | – Linh kiện phức tạp, bảo quản khó, dễ hỏng trong môi trường ẩm, nóng. – Cục lạnh và cục nóng được cung cấp từ một nhà sản xuất. – Việc tìm kiếm thay thế khó khăn vì linh kiện sử dụng có công nghệ cao và thường được bán theo bộ. – Khó khăn trong quá trình vận chuyển, lắp ráp, đòi hỏi độ chính xác cao. | – Linh kiện dễ bảo quản. – Có thể sử dụng các linh kiện từ nhiều nhà sản xuất khác nhau mà không cần đồng bộ. – Dễ tìm kiếm linh kiện thay thế. – Việc vận chuyển, lắp ráp rất dễ dàng. |
| Công suất sử dụng | Để máy lạnh không phải hoạt động với công suất cao trong thời gian dài, đảm bảo tuổi thọ và tiết kiệm điện năng, cần lắp ráp trong phòng có diện tích phù hợp. | Điều hòa có thể chạy bền với công suất cao trong thời gian dài, làm lạnh tốt trong mọi diện tích căn phòng. |
| Điện áp | – Đòi hỏi cao về điện áp đầu vào vì Inverter điều khiển hầu hết bằng vi mạch điện tử. – Nhà sản xuất cho phép sai số được áp dụng là +/-5%. | Không quá kén chọn về điện áp nên có thể áp dụng bất kỳ. |
| Điều khiển máy lạnh | Người dùng phải tự học hỏi vì điều hòa Inverter có rất nhiều chức năng. | Chỉ bao gồm một số chức năng sử dụng cơ bản. |
| Tiết kiệm điện năng | Tiết kiệm được 30 – 50% lượng điện so với điều hòa thông thường. | Lượng điện năng tiêu thụ lớn vì có máy nên và luôn phải hoạt động ở công suất cao. |
Một số lưu ý khi thực hiện đấu điện điều hoà 1 chiều
Lựa chọn kích thước và chất lượng dây điện
Khi thực hiện đấu điện điều hòa 1 chiều, bạn cần lựa chọn dây có kích thước phù hợp với thông số của hệ thống. Việc sử dụng dây có diện tích quá nhỏ có thể gây nóng dây và nguy hiểm nhưng sử dụng dây có diện tích lớn sẽ lãng phí tài nguyên và tăng chi phí.
Đồng thời, dây điện được chọn phải đảm bảo chất lượng, tuân thủ các quy định và tiêu chuẩn an toàn hiện hành. Dây điện phải đảm bảo khả năng chịu tải, chống cháy, chống nhiễu và có độ bền cao.
Nếu không chuyên về lĩnh vực này, bạn có thể tham khảo ý kiến tư vấn từ các kỹ thuật viên hoặc chuyên gia trong ngành để lựa chọn dây đúng đắn.

Tránh đấu nhầm dây số 3 với dây số 1 và số 2
Khi đấu điện điều hoà 1 chiều, để tránh đấu nhầm dây số 3 với dây số 1 và số 2, bạn cần lưu ý kiểm tra kỹ mã màu của mã trước khi tiến hành đấu nối. Các dây số 1 và 2 thường có mã màu khác với dây số 3.

Xác định chính xác vị trí dàn nóng và dàn lạnh
Khi thực hiện đấu điện cho hệ thống điều hòa không khí 1 chiều, việc xác định chính xác vị trí dàn nóng và dàn lạnh là rất quan trọng, cụ thể:

Dàn nóng: Nên chọn vị trí không có cản trở và đủ không gian, đặt trên một bề mặt chắc chắn, không rung lắc. Ngoài ra, bạn cần tránh lắp đặt nơi có ánh nắng mặt trời trực tiếp hoặc nơi nhiệt độ cao để không làm tăng áp lực và làm giảm hiệu suất của hệ thống.
Dàn lạnh: Chọn vị trí tối ưu về thông gió và phân phối không khí hiệu quả trong phòng. Bạn không nên lắp đặt dàn lạnh gần các nguồn nhiệt khác như đèn chiếu sáng hoặc các thiết bị điện tử và đảm bảo không có bất kỳ vật cản nào xung quanh để đảm bảo lưu thông không khí tốt.
Trên đây là toàn bộ thông tin và hướng dẫn về sơ đồ đấu điện điều hòa 1 chiều mà bạn đọc có thể tham khảo. Đừng bỏ qua các nội dung khác được bTaskee cập nhật để hiểu thêm về cách thức hoạt động của máy lạnh nhé!
>> Tham khảo thêm các nội dung liên quan:
- BTU Điều Hoà Là Gì? Cách Tính Công Suất Làm Lạnh Chuẩn Nhất
- Giải Thích Về Coanda Và Những Lợi Ích Mà Nó Mang Lại
- Dàn Tản Nhiệt Máy Lạnh Là Gì? Nên Dùng Loại Đồng Hay Nhôm?
Hình ảnh: Printerest







